De DBX Next is een elektrisch aangestuurde geiser (ook wel doorstroomverwarmer of instant heater genoemd), ter vervanging van uw gas gestuurde geiser. De doorstroomverwarmer is energie-efficiƫnt, onderhoudsvrij en relatief goedkoop! U past de elektrische geiser van Clage toe op de plek waar u warm water nodig heeft. Denkt u daarbij aan de badkamer, douche, wastafel, of gootsteen. Het apparaat produceert warm water op het moment dat u het nodig heeft. In combinatie met een waterbesparende kraan, bespaart u ook nog eens op waterverbruik.
De doorstromer verwarmt het water enkel daar waar nodig is. Wanneer u geen warm water gebruikt, dan verbruikt het apparaat geen stroom. U voorkomt onnodig energieverlies en lang voorverwarmen van water. Daarnaast heeft u geen gedoe met extra waterleidingen en dure centrale opslag van het water.

De DBX Next doorstroomverwarmer is interessant wanneer u van het gas af wilt en u beschikt over een 3~fase aansluiting (oftewel krachtstroom). Daarnaast is de DBX zeer geschikt als u maar beperkte ruimte beschikbaar heeft. Het elektrische apparaat is simpel te installeren op het water leidingwerk.Ā Vanwege de kleine afmetingen kunt u de instant heater makkelijk kwijt in de keukenkastjes of onder de wasbak.
Het gebruik van een doorstromer kost niet te veel stroom, althans precies afgestemd op hoe vaak u warm water nodig heeft. Wanneer u het apparaat niet gebruikt verbruikt het geen stroom. Dit is in vergelijking met een boiler, die altijd stroom gebruikt, een enorm verschil. Omdat er geen water in de instant heater blijft staan, is er geen verwarmde temperatuur van 65°C genoodzaakt. De doorstromer verwarmt automatisch tot 50°C, u hoeft enkel een klein beetje bij te mengen.
Bij het gebruik van meerdere elektrische apparaten, moet de hoofdzekering het gelijktijdig gebruik van de apparatuur aan kunnen. Als hij dit niet aan kan, dan slaan de stoppen door. Door het gebruik van een prioriteitsschakelaar is het mogelijk de gelijktijdigheid te beĆÆnvloeden.
Niet alleen gaat de instant heater goed om met zijn stroom verbruik. Het apparaat gaat ook nog eens erg lang mee. U kunt dus langer genieten van een efficiƫnt systeem. Dit als gevolg van slim gebruik maken van de opslag. Er wordt in de doorstromer geen water opgeslagen. Dat betekent dus ook dat er geen kalkvorming of corrosie kan ontstaan. Dit is niet alleen goed voor de doorstromer, maar ook voor uw leidingen.
Het vermogen dat nodig is om het water op temperatuur te brengen is verschillend per product. De DBX 18 gebruikt in vergelijking met de DBX 24 minder stroom, maar verwarmt daardoor ook minder liter water per minuut. LET OP! De DBX-doorstroomverwarmer heeft een minimale aansluiting nodig van 400 Volt of een 3 fase aansluiting. Controleer dit bij uw elektricien of bij de energieleverancier.
De meeste aansluitingen in Nederland hebben een hoofdzekering van 1 x 25 ampĆØre of 3 x 35 ampĆØre. Een hogere zekeringswaarde is vaak mogelijk, uw kunt de energieleverancier vragen naar de voorwaarden.
Let op! Bij een aansluitcapaciteit groter dan 3 x 25 ampĆØre worden de netwerkkosten aanzienlijk hoger, op jaarbasis bent u minimaal rond de 700 euro meer kwijt!
De DBX Next doorstromer is van het Duitse merk Clage. Van dit merk kunt u een degelijk product verwachten voor een extreem goede prijs. Clage staat voor gebruikszekerheid en nagenoeg nooit problemen. Een bijkomend voordeel is dat dit product onderhoudsvrij is. Na de installatie heeft u er geen omkijken meer naar.
In de volgende blog vindt u verdere informatie over de toepassing van een instant heater.
|
Ā |
DBX 18 |
DBX 21 |
DBX 24 |
|
Uitvoering |
Drukvast |
||
|
Temperatuurkeuze bereik water (°C) |
50°C standaard. (Intern verstelbaar tussen 30-60 °C) |
||
|
Warmwatercapaciteit bij āt=28K1)2) [l/min] |
9,2 |
10,7 |
12,3 |
|
Stroomsnelheid bij inschakelen/ max. stroomsnelheid [l/min] |
2,5/ 7,0 |
2,5/8,0 |
2,5/9,0 |
|
Nominaal vermogen [kW] |
18 |
21 |
24 |
|
Spanning [3~/PE 400 V AC] |
Vaste aansluiting |
||
|
Nominale stroom [A] |
26 |
30 |
35 |
|
Vereiste kabeldiameter [mm2] |
4,0 |
4,0 |
6,0 |
|
Gewicht met watervulling [kg] |
3,7 kg |
||
|
Nominale inhoud [liter] |
0,4 liter |
||
|
Beschermingsklasse |
IP25 |
||
|
Afmetingen (hxbxd) [cm] |
46,6x23,1x9,7 |
||
| Energielabel | A | ||
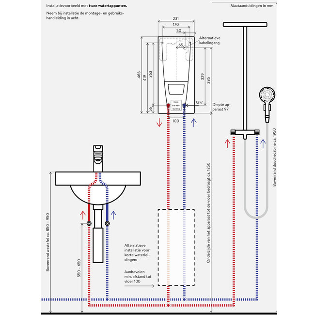
Ā download productinformatie met installatieschema
Ā download handleiding
Ā
Let op: dit product betreft een hygiƫneproduct.
U mag het product binnen twee weken na de aankoopdatum aan ons retourneren, mits het niet op het water aangesloten is geweest. Nadat het eenmaal op het water is aangesloten, kunnen wij het helaas niet meer terugnemen.